LogoLogo

Cross-Reference Search
Login
/Register
  • Products
  • Applications
  • Quality & Reliability
  • Technical supports
  • About us
logo
Search
Sample Request
POW­ERQUARK INC.

Contact Us
sales@powerquark.com
20400 Stevens Creek Boulevard, Suite 390, Cupertino, California
POWERQUARK Products
Automotive ProductsDC-DC ConvertersAC-DC ConvertersUSB Type-C & Power DeliveryPMICCharging ManagementBattery Management Solution
Solutions
AutomotiveIndustrial ControlConsumer Electronics
About POWERQUARK
IntroductionCompany NewsRecruitment
©Copyright 2025 POW­ERQUARK INC.

Powerquark launches low quiescent current and high voltage industrial grade buck converter series

2025-10-31
Powerquark has introduced industrial-grade high-voltage ultra-low quiescent current buck converter series. With a remarkably low quiescent current of only 10μA, the series supports a maximum voltage withstand of 120V and a continuous current of up to 5A. The high voltage tolerance significantly reduces the need for external voltage spike suppression components, lowering both solution size and cost. The ultra-low quiescent power consumption greatly extends the standby time of battery-powered devices. This product series offers a stable and high-performance alternative for applications such as robotics, communication power supplies, E-bikes, power tools, energy storage, and BMS.
 
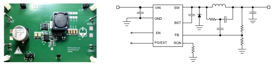
PQ81AX0 EVM Application diagram

 

The series adopts SOP8/ESOP8 packaging, with pin compatibility mainstream international manufacturers’ products. No PCB redesign is required—direct pin-to-pin (P2P) replacement ensures compatibility with existing solutions, facilitating localized alternatives and effectively reducing R&D costs.
 

SOP8/ESOP8 package and pin layout
 

10μA Ultra-Low Quiescent Current

In high-voltage scenarios, even relatively low quiescent currents can lead to significant power losses. For battery-powered devices, low power consumption substantially reduces self-discharge losses and extends battery life. The new series employs a low-power design, reducing the IC’s quiescent current to 10μA, effectively minimizing standby losses during light-load conditions and improving light-load efficiency. Additionally, the SC81XXE series provides an EXT pin for IC power supply. Connecting the EXT pin to the output or an external 5–12V power source further enhances light-load energy efficiency.

High Efficiency and Low Temperature Rise

Low power conversion efficiency not only wastes energy and shortens battery runtime but also generates high temperatures that challenge the reliability and lifespan of electronic products. Powerquark’s series features built-in MOSFETs with significantly lower on-resistance than industry counterparts, improving heavy-load efficiency and reducing system temperature rise.
 
PQ81A30’s MOSFET on-resistance is only 40% of competing products, with a measured temperature rise 15.2°C lower under the same conditions. (Test conditions: TA=27°C, VIN=72V, VO=12V, IO=3.5A, 300kHz.)

Fast Transient Response

The series adopts a Constant On-Time (COT) control topology. An external RCC ripple injection circuit ensures stable DCDC operation across a wide range of applications while delivering optimal transient response. No external VCC capacitor is needed, simplifying PCB layout and aligning with the trend of miniaturization and high performance in industrial equipment. Compared to traditional peak current control modes, this design enables faster transient response.
VIN=48V, VO=12V, IO=1.5A to 3A in 1μs, with consistent peripheral parameters.

Comprehensive Fault Protection

To ensure the safety and reliability of industrial systems, the series provides full protection features, including input undervoltage protection, cycle-by-cycle peak current limiting, short-circuit protection with auto-frequency reduction and hiccup mode, and overtemperature shutdown protection.

Cost-Effective Solutions

The series offers a wide range of product options, allowing users to select the most suitable voltage and current specifications for their applications, optimizing cost-effectiveness.

 

Related News

Powerquark Launches mmWave Radar PMIC, Delivering a Fully Integrated Sensing Solution

Powerquark Launches mmWave Radar PMIC, Delivering a Fully Integrated Sensing Solution

2025-11-27
Powerquark launches high-end automotive-grade MCU PMIC

Powerquark launches high-end automotive-grade MCU PMIC

2025-09-28
Powerquark’s automotive PMIC family welcomes a new member compatible with ASIL-D functional safety

Powerquark’s automotive PMIC family welcomes a new member compatible with ASIL-D functional safety

2025-09-28